预制件在饲料工程中已大量使用。公司预制,现场装配,已成为工程安装的主流。预制件的设计细节决定了工程质量的效果差异。让我们一同感受一二。
1 预制件的大概分类
2 溜管预制件
溜管是工程安装的设备连接主要部件,加工及安装要求是需要强调的。预混料核心料配置工段的溜管,和小料仓体一样,内壁往往需要内部抛光,降低物料挂壁、残留及交叉污染的风险。
溜管之间可靠密封方式,决定了溜管间的密封效果,对整个工程的粉尘控制有重要影响。有两种常用的密封形式,简单介绍一下:
第一种密封形式:管壁单侧密封胶条。
第二种密封形式:卡箍内侧密封胶条,这种比较常见。
3 常用预制件 枚举
弯头、三通:内附一定厚度高分子材料,提高耐磨性,抗静电,最大程度降低粉尘及火星的产生。
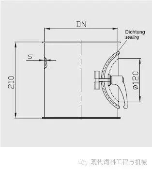
卡箍法兰:
万向调节弯头:360°空间安装角度调节,轻松方便。
手孔、观察孔: 圆形、方形等
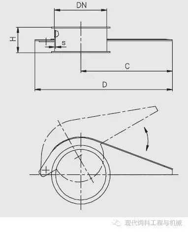
手动流量调节阀:
手动流量截止阀:
分流、汇集段:
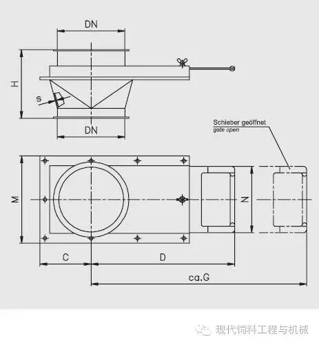
手动三通:
小结:预制件,不仅有利于安装的快速交付,也有利于使用方的生产检修。预制件标准化,也是双赢的选择。
















